
SZ系列水环式真空泵
产品详情
使用范围 |
SZ水环式真空泵,广泛适用于化工、机械、轻工、医药、食品、纺织、矿山等行业,用来抽吸空气或其他不溶于水、含有少量灰尘和水分的气体,还可以抽除含有轻微腐蚀性的气体。如真空蒸发、真空浓缩、真空干燥、真空抽滤、真空送料等工艺过程。 |
性能及规格 |
| 性能 Functions型号 ModelSZ-20SZ-40SZ-63SZ-100SZ-160SZ-250SZ-360SZ-700抽气速率(m3/h)204063100160250360700极限压力≤(Pa)4×1034×1034×1034×1034×1036.7×1036.7×1038×103电机功率(Kw)1.52.2347.5111530转速(rmp)2840284028802890290014601460980供水量(m3/h)0.20.230.280.450.721.21.54.2吸排气口径G1"G1"G11/2"G11/2"G11/2"Φ100Φ100Φ125重量(Kg)40467080115370436910 |
客户可根据工艺要求选择不同材质:铸铁&1Cr18Ni9Ti |
|
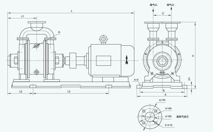
安装尺寸图 |
|
SZ-20、40、63、100、160 安装尺寸图 |
| 型号LL1L2L3L4L5ΦABCEFGHH1ISZ-20398160641008825212258103138Φ151101"23830SZ-404581858410010827212258103138Φ151101"24230SZ-635322209212513231412312132162Φ151101 1/2"28230Φ15SZ-10056225613212517231412322132192Φ151101 1/2"29230Φ15SZ-16062529616412520031412360132214G1/2"1201 1/2"33240Φ15 |
|
SZ-250、360 安装尺寸图 |
| 型号LL1L2L3ABCDHH1ΦSZ-2501250278245740498430182G1 1/2"65328Φ20SZ-3601382318285740498430182G1 1/2"65328Φ20 |
特性曲线 |
|
上一篇:SK系列单级水环式真空泵
下一篇:没有更多了





