
ZJ系列罗茨真空泵
产品详情
使用范围 |
ZJ系列罗茨真空泵是一种旋转式变容真空泵,须有前级泵配合方可使用,在较宽的压力范围有较大的抽速,对被抽除气体中含有灰尘和水蒸汽不敏感,广泛用于冶金、化工、食品、电子工业部门。 |
性能及规格 |
| 型号抽气速率(L/S)极限压力(Pa)转速(rmp)功率(Kw)口径(mm)重量(Kg)推荐配用前级泵型号进口出口ZJ-30305×10-228250.755040752X-4AZJ-70705×10-228401.58050952X-8AZJ-1501505×10-2288031001002022X-15ZJ-3003005×10-2144041501505002X-30AZJ-6006005×10-228007.51501508252X-70AZJ-120012005×10-214501130030015402X-70AX2 |
|
安装尺寸图 |
|
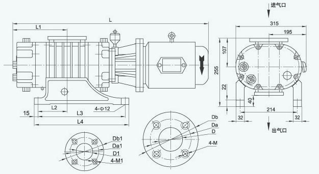
ZJ-30、70安装尺寸图 |
型号LL1L2L3L4DDaDbMD1Da1Db2MZJ-3065018085270300Φ90Φ90Φ110M8Φ40Φ70Φ85M6ZJ-70770220115330360Φ125Φ125Φ145M8Φ50Φ90Φ110M8 |
|
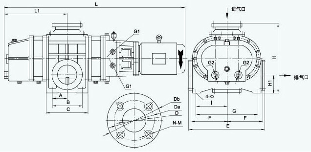
ZJ-150、300、600、1200安装尺寸图 |
| 型号LL1ABCEFGIHH1ΦG1G2DDaDbMNZJ-150105831870140188460208326160382100Φ15G1/4"G1/4"Φ100Φ145Φ170M104ZJ-3001332475108218302554252448222502130Φ21G1/2"G1/2"Φ150Φ195Φ220M108ZJ-6001412475108218302554252448222502130Φ21G1/2"G1/2"Φ150Φ195Φ220M108ZJ-120017085602024004621072500802402848260Φ28G1/4"G1/2"Φ300Φ395Φ435M1612 |
特性曲线 |
|
上一篇:没有更多了
下一篇:没有更多了





